|
|||||||||||||||||||||||||||
1、粉體輸送設備
4.1正壓輸送系統
正壓輸送工藝流程

正壓輸送設備照片
正壓輸送系統概述:
1.進料階段:
在進料階段,噸袋小袋物料通過拆包站進入自帶料斗,物料依靠自重通過進料閥進入倉泵,置換空氣通過排氣閥排出,直至倉泵內物料充滿,倉泵料位計觸發,進料蝶閥及排氣閥關閉,出料閥打開。排氣閥的作用是以防空氣從進料口排出,影響下料速度,甚至形成架橋不下料,并通過過濾布袋收集灰塵,防止污染車間空氣。
2.輸送階段:
在輸送階段,進入倉泵的空氣將物料壓入輸送管道,輸送用氣則通過增壓器沿著輸送管道持續間斷地給輸送物料提供輸送壓力,防止壓降(導致物料輸送中堵管),此時為了不使物料黏結,可選用振動電機(此項目中未配),當倉泵內的物料低于低料位時,倉泵低料位觸發,輸送用氣會延時停止,進入清管階段,防止物料停留在輸送管道中,在下次進料前,倉泵內的空氣通過特殊的排氣閥排出。
3.特點:
① 氣固比高,一般可達20-30,空氣消耗量為稀相系統的三分之一或二分之一。
② 輸送速度低,為 6~12m/s,減少了管道磨損、閥門磨損、物料顆粒破碎等問題。
③ 粉塵顆粒能被氣體充分流化而形成“擬流體”,從而改善了粉塵的流動性,使其能夠沿管道濃相順利輸送。
④ 增壓助推器技術用于正壓濃相流態化小倉泵系統,從而解決了堵管問題。
⑤ 可實現遠距離輸送,其單級輸送距離達1500mm。
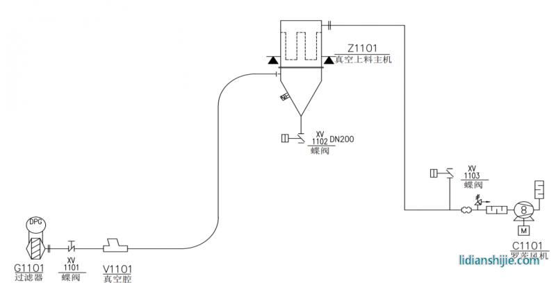
4.2負壓輸送系統
負壓輸送工藝流程

負壓輸送設備照片
負壓輸送系統概述:
1.自動控制:
負壓真空上料系統一般為自動控制系統,啟動自動運行后,首先開啟排空閥,約2秒后羅茨風機驅動電機和脈沖控制儀啟動,羅茨風機開啟后5~8秒,關閉排空閥,真空吸送壓力處于穩定狀態,延遲若干秒(如5s)上游設備開始穩定供料,此時物料落入真空腔中,繼而被吸入真空上料機主機中,與此同時除塵系統的脈沖清灰控制儀和真空腔內的激振器按預設的周期(如停6s開3s)運行。真空上料機的稱重系統已設定了一個高料位值時(如250Kg),待真空上料機內的物料重量超過此重量值時,自動排料程序啟動,按順序自動關閉星形給料機,關閉真空腔破拱激振器,開啟排空閥,停止羅茨風機驅動電機,并延時若干秒(如5s)后,自動開啟排料閥和破拱激振器排出物料。當真空上料機內物料排空到稱重裝置設定值的下限值(或零區)時,說明真空倉內物料已排空,排料閥將延時關閉。本系統默認排料閥開啟時間為5分鐘。系統便可進入下一輪上料操作待機狀態。
2.特點:
⑥ 采用高真空、低過濾風速方式進行輸送,系統輸送效率及可靠性高。
⑦ 真空上料機主體與物料接觸處采用非金屬材料,輸送管道陶瓷內襯管道,既解決了阻絕金屬單質對物料的污染又可具有很高的耐磨性,具有較高的使用壽命。
⑧ 真空上料機采用外置稱重料位,并配套相應稱重儀表,既避免接觸式料位計對物料的影響,又可實時觀察真空上料機內物料情況。粉料輸送量采用稱重的方法進行計量,并可以通過儀表重量設定所發送所需的物料量,具有較好的人機工作界面。
⑨ 分離設備配置了高效的除塵濾材和自動脈沖清灰裝置能保證羅茨風機的運行安全和有效的防止粉塵對外界環境的污染。
⑩ 本系統作為一個獨立的自控系統,配備有可編程控制器PLC以及人機界面HMI(觸摸屏)實現自動控制。也可作為整條自動化生產線中的一個組成部分,由中央控制室PLC集中控制。現場人機界面HMI則可對本真空上料機進行狀態顯示,控制參數設定和修改以及報警指示。